
An ETC system made up of two (2) 96 channel Sensor+ dimmer racks, an E-DMX signal distribution system,
one (1) DMX input & two (2) DMX outputs in most studios.
There is a pipe grid in each studio with several plugging boxes at the pipes. The plugging boxes have various
numbers of stage pin & edison plugs. The plugs are permanently assigned to dimmers in the Sensor racks.
NDG owns a number of ETC lighting instruments & two (2) ETC SmartFade memory consoles. The equipment is hung in a repertory plot in each space, this is listed in detail below.
Click on these links to find out what the tech people want to know:

Repertory Light Plot 2nd Floor:
Click on the Light Plot for a larger version in a new window
Click Here to link to the re-sizable PDF version (View with Adobe Acrobat Viewer)
Printable copies of these files are in a folder on this CD called "PDF Light Plots etc"
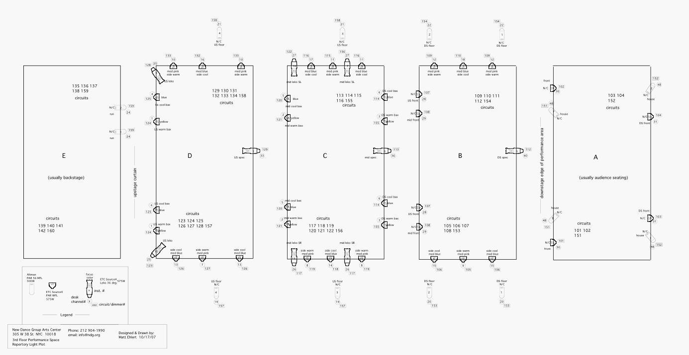
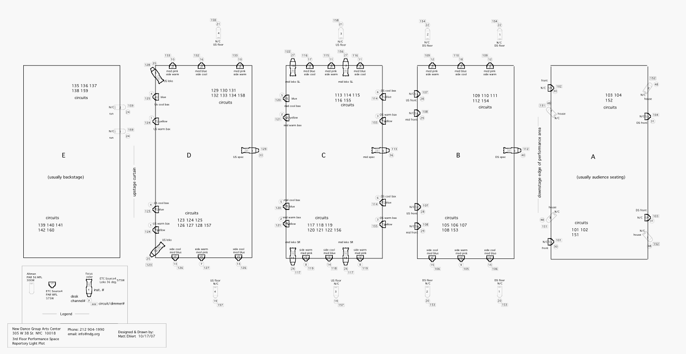
Repertory Light Plot 3rd Floor:
Click on the Light Plot for a larger version in a new window
Click Here to link to the re-sizable PDF version (View with Adobe Acrobat Viewer)
Printable copies of these files are in a folder on this CD called "PDF Light Plots etc"
New Dance Group owns a certain amount of lighting equipment, hung in the spaces in a “rep plot” arrangement.
The equipment is deployed as follows:
| 2nd floor Studios 1 through 3 | 3rd floor Studios 7 through 9 | ||
| 42- Wide Flood 575 watt Source4 PARs | 42 Wide Flood 575 watt Source4 PARs | ||
| 9- 36 deg. 575 watt Source4 lekos | 9- 36 deg. 575 watt Source4 lekos | ||
| 16- 300 watt PAR 56 | 16- 300 watt PAR 56 | ||
There is sufficient cable to plug the house equipment, don’t count on spare cable.
There are narrow & medium lenses available for the Source4 PARs
There is a gobo holder available for each Source4 leko. NDG has some gobos, if you need a specific pattern,
you should bring it with you.
All units have a gel frame. NDG has some gel in addition to the rep colors. If you need a specific color, you
should bring it with you.
All the house equipment is marked clearly with the legend “NDG”.
New Dance Group owns two (2) ETC SmartFade consoles, a 96 channel conventional memory controller.
It is not intended for automated lights, although these can be patched channel-per-parameter, if you must.
It is suggested that if you have automated lights in your production that you bring a controller for them.
The “rep” plot must be restored to its original condition when you leave at the end of your rental period.
Drawings of this are provided with your rental package. They are in a folder called "PDF Light Plots etc" on this CD.
These drawings are available as hard copies & also as PDF files & VectorWorks Spotlight files. This document you are
reading is also available as a MS Word, RTF, or PDF file. If you would like files in a specific format let us know.
Consists of a square of 1-1/4” pipe hung around each studio at 10’10” off the floor. Most studios have two
of these square grids of pipe, so if you combine all 3 studios on a given floor, you end up with multiple square
grids of pipe in your whole space. The plan drawings provided with this document make this clear.
Each square of pipe has 2 plugging boxes associated with it. Each plugging box has a number of stage pin & edison
plugs, & some of them have DMX output ports. The locations & numbers are noted on the drawings provided.
On the 2nd floor, in Studios 1 through 3, there are 50 circuits available, each pre-assigned permanently to a
dimmer in the Sensor rack on the 2nd floor. Of these, 40 are stage pin connectors, 10 are edison connectors.
The distribution of these circuits is noted on the drawings.
On the 3rd floor, in Studios 7 through 9, there are 52 circuits available, each pre-assigned permanently to a
dimmer in the Sensor rack on the 3rd floor. Of these, 42 are stage pin connectors, 10 are edison connectors.
Hot, non-dim circuits are located at the pugging boxes also, in both spaces.
Since the trim height is relatively low (10’ 10”), it is important to remain aware of the height that your lighting
equipment hangs at. Since there are classes during the day in all the studios, you must “yoke” all the lights
up so that they do not hang lower than the lowest point of the ceiling structure, which is the moving wall tracks.
There is sufficient clearance around all the pipes to permit this.
There are sprinkler heads in close proximity to the lighting grid pipes, especially on the 3rd floor. Although the
heads have protective cages on them, care must be taken not to touch them in any way. It is also prudent to
keep some space between the heads and the hot parts of the lights. Setting off a sprinkler head with heat or
contact is not something you want to happen.
There are two 96 space Sensor+ racks in the system, one on each floor. The rack on the 2nd floor, for
Studios 1 through 3, is set at DMX addresses 1 through 96, & the rack on the 3rd floor (Studios 7 through 9)
is addressed at 97 through 192.
These racks control the lighting circuits in the studios at the lighting pipes & also the dimmable lighting in the
public spaces around the facility.
The facility uses the “E-DMX” protocol for control signal distribution. What this means is that the entire facility
is tied together in one processing rack (located on the 3rd floor) for DMX signal distribution to & from the input
& output ports and to both dimmer racks.
All of the circuits in the facility are uniquely numbered, the circuits on the 2nd floor begin at #1 & the circuits
on the 3rd floor begin at #100, making it easy to control each space separately & simultaneously. The E-DMX
system allows many different input controllers simultaneously without interference. In the event of the same
DMX address being patched to more than one control source, it is simply “highest level takes precedence”.
When the 3 studios are combined (per floor), there are then 3 DMX inputs & 5 outputs in each of the combined
spaces. The locations for these are shown on the drawings.
DMX addresses 1 through 192 are reserved for house use. Any additional equipment must start its addressing
at DMX # 193 or higher.
The E-DMX protocol specifies that instead of several “universes” of 512 DMX addresses each, there is one large
“universe” of 1024 (or more) addresses. What this means is that if you need to address something beyond 512,
you would simply use 513 & higher. Some consoles & other equipment do not permit addressing beyond 512,
so if you want to do this be sure that your equipment supports it.
If you wish to use any addresses beyond 512, a minor re-patch of the signal routing will be needed.
Please let us know if this is the case.
It is possible to isolate an input & an output from the rest of the system in order to use address #1 (thru 512)
as a separate universe B, but arrangements must be made for this ahead of time
Audio Equipment and CD Playback
NDG’s performance spaces have some limited audio capability. The audio systems at NDG are geared heavily
toward pre-recorded playback. There are both CD & cassette players available. There are line-level inputs
available into the system as well, for additional equipment.
It is wise to make CD's specifically for your show, rather than use commercially-produced CD's. This is so you can put tracks in the order you want to use them, & change fade in-and-out points in the tracks. You can adjust volumes & speeds as well when you burn a CD with a computer. This saves a lot of aggravation, as hunting for & playing tracks out of order on a commercial CD is time-consuming & inefficient. If you have any questions about this, please ask our tech people.
NDG owns two (2) wireless microphones, one of them is hand-held & the other is a clip on lavelier. These are
available for an additional small fee.
If you need more than that, for instance lots of live sound reinforcement, it is suggested that you bring enough
audio gear with you to accomplish your goal.
The speakers in the studios can be assigned as needed to an input source by the central Crestron computer
system that controls the audio systems throughout the facility. The speakers themselves are JBL Control 29’s,
generally two per studio.
The audio system setup must be restored to a state that can be used for classes, each evening before you leave.
Pianos, both upright & baby grand, are available in all studios.
You are of course free to bring your own (rented or otherwise) lighting or audio equipment with you, but
should be aware of a few things.
Since the trim height of the lighting grid is low, automated lighting units can’t really be hung from it, without
being too low for the daytime use of the studios. If you bring automated lights with you, be prepared to use
them on the floor only. This does not apply to smaller DMX devices such as strobe lights & color changers,
LED lights, etc.
Be aware that any equipment or sets deployed in the studio will have to be cleared each evening for use by dance
classes the following morning.
Please keep track of your rented equipment, NDG cannot be responsible for any equipment you bring with you.
There is some storage space for empty road cases, etc. This is covered in more detail in the next section.
There is a freight/passenger elevator available from the street level to both floors. It is an old-style
manual elevator, 6’ X 6’ X 7’ high.
Anything you bring into the venue must fit in the elevator, & also through a standard 36” doorway from
the street. 8’ items will fit in the elevator diagonally.
Items must be rolled or carried down a short corridor to get to the elevator from the street entrance, so it would
be best to have as much as possible on wheels. NDG cannot provide personnel to assist, this is up to you.
Seven days a week, during the day, classes are held throughout the facility. Unless specific arrangements
are made, no freight can be moved into the facility during classes. This is Monday through Saturday 9 AM
to 9 PM, Sunday 10 AM to 7 PM.
Late night access can be arranged for setup & rehearsals. Time in the performance space can also be
arranged for during regular daytime hours. You must make advance reservations for the time.
Storage Space
There is some limited storage space available. This space is both in the studios that comprise the performance
spaces, & in other storage areas in the facility. Arrangements must be made in advance to store any large items.
No security guarantee is made, beyond the fact that the facility is locked overnight & is alarmed.
Studios Cleared For Classes
The studios must be sufficiently cleared of all obstructions on the floor each evening before you leave,
for use by dance classes the next morning. This includes any sets, platforms, audio, musical, lighting or
control equipment. This also includes any audience seating, including the fold-out bleachers, as well as any
curtains on the windows or mirrors. Please keep this in mind when you set up your production. NDG will not
provide personnel for this.
Large set pieces & other bulky equipment can be stored in the performance spaces, but it must roll out of the
way to the satisfaction of NDG. This would be determined on a case-by-case basis.
Any spike marks on the floor cannot interfere with the daytime use of the studios. They will be removed if they
do. NDG is not responsible for maintaining the integrity of any marks you place on the floor.
Checklist of Questions You Should Have Answers For
Will everything you are bringing with you fit through the only door from the street (standard single 36" door)
Will all the stuff be easy to roll down a corridor to the elevator (50' with a turn)
Will everything you are bringing with you fit in the elevator (6' X 6' X 7' H, 8' will fit diagonally)
If you need to load many things into the space, will there be enough time. If you need extra time, have you
made arrangements. Have you arranged for storage space if you are going to need it.
Do you have enough people to help you move in & out with your show, and to help you move things around
during your stay.
When you decide what you are going to include in you production, bear in mind that the Studio Theater needs
to be cleared each night for classes the next morning. Everything that you put on the floor of the theater should
be easily moved & stored out of the way. This includes sets, props, musical gear, lighting & audio gear, and the
seating. When you arrive for tech rehearsals & performances, all this will need to be set up. Consider how much
time this is going to take & allow for it. If you have any extra large or bulky items, make prior arrangemnts to
store them out of the way.
Have you scheduled all the time in the space that you will need. This includes moving equipment in
& then out again, rehearsal time, setup & breakdown time, besides the actual performance times. If you
need extra time during normal daytime operating hours, this can be arranged in advance.
Please let NDG know how many performers you are expecting to have, so that sufficient dressing room space
can be arranged. All areas used as dressing rooms must be restored to be used for classes the next morning.
Do you have enough people to help with box office & seating, as well as all the tech people you will need.
We suggest that you bring at least two people to help with box office & seating.
If you do not bring a lighting designer with you, you may engage NDG's lighting technician as your designer. NDG's
tech can also operate the lighting and/or audio consoles during your show, if you do not bring operators with you.
You can arrange for this when you discuss your engagement with the booking manager.
NDG will not specifically provide other personnel for your production, but we can provide contact information for
people who can do these things.
NDG will have a night manager on site during your stay. Direct all questions about the facility to this person.